電動蝶閥作為目前管道中最為常見的閥門之一,是用于實現管路系統種介質的通斷以及流量大小的控制,已在石油、化工、冶金、水電等眾多領域中,被得到極為廣泛地應用。那么在常用的電動蝶閥中,其主要可分為兩種,電動對夾式蝶閥和電動法蘭蝶閥,而這兩種閥門各有各的特點,且在性能上也不盡相同,可選用在不同的工業上。

對于這兩種閥門,除了結構形式上不一樣以外,如果是在相同參數的情況下,最大的區別就是連接方式不同,也就是安裝的形式不一樣,這取決于現場工況!
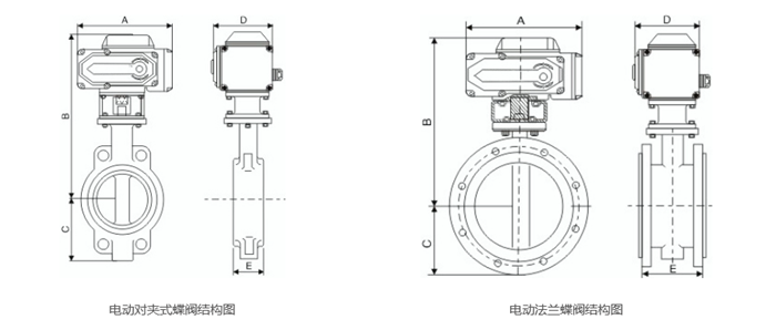
電動對夾式蝶閥與電動法蘭蝶閥的區別:
電動對夾式蝶閥的厚度相對于法蘭蝶閥來說會比較薄一點,閥體兩端沒有法蘭,只有幾個導向螺栓孔,閥門用一組螺栓/螺母與管道端的法蘭連接,一般適用于空間比較狹窄,或者管道有限制的場所。優點是拆卸比較方便,閥門造價較低,占用空間小,但缺點是一個密封面出問題,兩個密封面都得拆開!
上海蝶閥電動法蘭蝶閥閥體兩端分別有法蘭,與管道法蘭連接,密封性相對于對夾式蝶閥會更可靠一些,一般常用于口徑較大,或壓力較高的場所,但造價比對夾式蝶閥高。
兩者之間的選用:
但是設計上還是有些東西要注意的,比如說對夾式的閥門螺栓一般比較長,在高溫的工況下,螺栓膨脹后有可能會導致泄露,所以高溫工況下不適宜用于大管徑。又比如對夾式蝶閥一般不能用于管線的末端和下游需要拆卸的場合,因為當下游的法蘭拆卸下來的時候,對夾式的閥門會掉下來,這種情況就必須要在另外做短節以便拆卸,而法蘭式蝶閥不存在上面的問題,但是成本會比較高。
聲明:本文中所有文字、數據、圖片均只適用于參考,閥門性能參數、結構尺寸參數、價格等詳情,請聯系我們,電話:021-61128612。上海惠夏閥門制造有限公司官網:www.ldltsb.cn。
上海調節閥|上海閥門廠家|截止閥廠家|上海蝶閥|上海閘閥